Блоки типа ОДФ предназначены для расположения вблизи мест нефтедобычи, нефтепромыслов, пунктов подготовки нефти. Установка ОДФ-1 служит для извлечения из добываемой нефти дизельной фракции. Отогнанная бензиновая фракция смешивается с мазутной фракцией и закачивается обратно в товарный резервуар. Для компенсации количества светлых фракций в исходном сырье установка может доукомплектовываться блоком мягкого термического крекинга мазутной фракции.
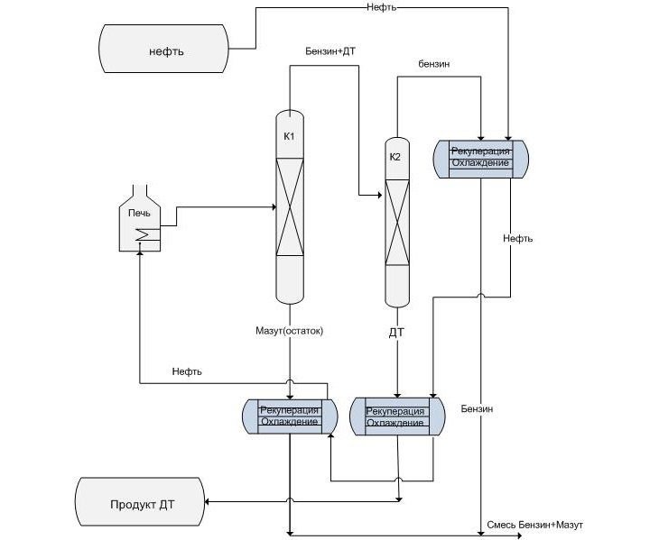
Извлечение прямогонных фракций происходит на двух ректификационных колоннах Предварительно сырье проходит ряд рекуперативных теплообменников, нагреваясь за счет тепла отдаваемого продуктами, и попадает в технологическую печь. В печи сырье нагревается до температуры 320-340 С и попадает в ректификационную колонну К1. С верха колонны уходит бензиновая фракция и дизельная фракция, а с низа кубовой части колонны выводится мазут. Бензиновая и дизельная фракция попадают в колонну К2 в которой происходит их разделение. Бензиновая фракция выходит с верха колонны К2, а дизельная фракция из кубового остатка Каждый из продуктов проходит стадию рекуперации и охлаждения и насосами отправляется в парк. Бензиновая фракция смешивается с мазутной фракцией и направляется в сырьевой парк или в термодегидратор. Регулирование процесса может происходить дистанционно из операторной или в ручную на площадке расположения установки.

|
Наименование |
ОДФ-1 |
ОДФ-2 |
ОДФ-3 |
|---|---|---|---|
|
средняя производительность по сырью |
20 000 т/год |
32 000 т/год |
64 000 т/год |
|
общая установленная мощность эл/дв |
35-40 кВт* |
60-70 |
120-130 |
|
расход мазута на огневой нагрев |
40-60 кг/час |
80-120 кг/час |
150-180 кг/час |
|
расход на переработку 1 тонны сырья |
|||
|
— электроэнергии |
15-20 кВт |
15-20 кВт |
15-20 кВт |
|
— насыщенный пар |
20-30 кг |
20-30 кг |
20-30 кг |
|
— мазут |
15-25 кг |
15-25 кг |
15-25 кг |
|
давление в аппаратах колонного типа |
не более 0,07 МПа |
не более 0,25 МПа |
не более 0,25 МПа |
|
время выхода установки на режим |
8-12часов |
8-12часов |
8-12часов |
|
Взято |
% |
т/ч |
т/сутки |
т/месяц |
|---|---|---|---|---|
|
Сырьё (нефть) |
100,0 |
2,5 |
60 |
1800,0 |
|
Получено | ||||
|
Дизельное топливо фр 180-340 |
30,0 |
0,8 |
18,0 |
540,0 |
|
Мазут+бензин |
70,0 |
1,8 |
42,0 |
1260,0 |
Установка состоит из двух ректификационных колон, теплообменников, сборников, печи нагрева и смесителя, комплекта приборов автоматизации процесса, запорно-регулирующей арматуры, насосов, силовых щитов, градирни, труб соединения. Основное оборудование располагается на раме. Оборудование системы автоматизации, силовых щитов и насосов располагается в контейнерах.
Данная установка поставляется заказчику в полной комплектации. На месте производится сборка установки и подключение её к трубам товарно сырьевого парка и к энергоресурсам предприятия (электричество, вода).
Блок рекуперации тепла
Блок нагрева нефтепродуктов (технологическая печь)
Блок фракционирования и разделения
Блок охлаждения продуктов
Блок управления технологическим процессом
Блок насосов
Блок электросиловой
Все оборудование входящее в состав установки ОДФ-1 имеет сертификаты соответствия нормам технических регламентов Таможенного Союза
|
Обозначение по документации |
Количество |
|---|---|
|
Печь трубчатая АНУ-1,0 в комплекте с горелочным устройством |
1 |
|
Теплообменник 325 ТКГ-0,6-М1/20Г-3-2-У1 |
1 |
|
Теплообменник 325 ТКГ-0,6-М1/20Г-3-2-У1 |
1 |
|
Теплообменник 530 ТКГ-0,6-М1/20Г-3-2-У1 |
1 |
|
Теплообменник 219 ТКГ-0,6-М1/20Г-2-2-У1 |
1 |
|
Колонна ректификационная насадочная Ду 500 мм с (с площадками, лестницами, ограждениями, кронштейнами, подпорками) |
1 |
|
Колонна ректификационная насадочная Ду 500 мм с (с площадками, лестницами, ограждениями, кронштейнами, подпорками) |
1 |
|
Дефлегматор колонны ректификационной |
2 |
|
Емкость кубовая двойная |
1 |
|
Топливный бак печи |
1 |
|
Рамы под оборудование |
1 |
|
Наименование |
Длина, м |
Ширина, м |
Высота, м |
|---|---|---|---|
|
Блока переработки (блоки рекуперации, фракционирования, охлаждения) |
5 |
4 |
12 |
|
Блок нагрева (технологическая печь вместе с дымовой трубой) |
6 |
3 |
16 |
|
№ |
Обозначение |
|---|---|
|
1 |
Том Технологические решения установки ОДФ-1 |
|
2 |
Технологический Регламент установки ОДФ-1 |
|
3 |
Паспорта на оборудование производства НПП «НОУпром» |
|
4 |
Паспорта и сертификаты на комплектующие таблица 3-8 |
Для обеспечения работы установки необходимо дополнительное стандартное оборудование, такое как насосные агрегаты, , трубопроводная арматура, система автоматизации, щиты силовые электрические.
Установка ОДФ-1 может комплектоваться насосами как импортного, так и отечественного производства. Количество насосов рассчитано с учётом дублирования каждого насоса резервным.
По месту на первых этапах работы, можно исключить резервирование некоторых насосов, тем самым уменьшив первоначальные затраты.
Для охлаждения продуктов также используется оборотная вода, которая в процессе нагревается и требует охлаждения. Охлаждение воды происходит на градирне.
По проекту установка ОДФ-1 обвязывается с учётом всех резервных линий.
Как и в примере с насосами возможно сокращение первоначальных затрат на установку.
Также возможно использование арматуры более дешевых аналогов, как отечественного так и импортного производства.
В зависимости от типа регулирования и уровня автоматизации производства, в запорно-регулирующей арматуре возможно применение различных по стоимости исполнительных механизмов.
Система автоматизации предназначена для контроля и регулирования технологического процесса, состоит из контрольно-измерительных приборов, щитов и системы управления. Затраты очень сильно зависит от желаемого уровня автоматизации: от приборов местного контроля технологических параметров и регулирования процесса вручную до возможности выхода всех сигналов на обрабатывающее устройство и автоматического регулирования процесса.
Самый упрощенный уровень автоматизации обеспечивает безопасное ведение процесса, и требует постоянного участия операторов на установке — ручное управление.
В щитах располагается управление силовым оборудованием установки и производства. Устройство щитов определяется при разработке проекта.
Для размещения силовых щитов и щитов управления и лаборатории необходимо здание управления. Для этих целей может быть задействовано существующее здание на объекте строительства или построено новое здание капитального или сборно-щитового типа
часть оборудования расположено на нулевой отметке рядом с этажеркой или в ней. Данное оборудование располагается на фундаментах. Конструкция и тип фундаментов разрабатывается при проектировании предприятия с учетом геологических характеристик.
Для охлаждения продуктов в блоках охлаждения используется оборотная вода, которая в процессе нагревается и требует охлаждения. Охлаждение воды происходит на градирне. Для установки ОДФ-1 достаточно градирни малой производительности типа ГРД-24 для оборудования градирни необходим резервуар оборотного водоснабжения и система подпитки. Объем резервуара 50 м3.
Установка соединяется с товарно-сырьевым парком и другой инфраструктурой системой внешних коммуникаций. Данные коммуникации располагаются на опорах. К ним относятся линии технологических трубопроводов, линии КИП и А, линии электроснабжения.