Установка СК-1000-2К входящая в состав МиниНПЗ предназначена для разделения нефти или газового конденсата на ректификационных колоннах с предварительным нагревом в трубчатых печах АНУ-1.5 и АНУ-3,0 с целью получения бензиновой фракции, керосиновой фракции, дизельной фракции и мазута. Дальнейшее доведение получаемых продуктов до ГОСТовских параметров осуществляется на блоке компаундирования входящего в инфраструктуру МиниНПЗ.
Установка состоит из 2-х ректификационной колонн с клапанными тарелками с выносной стриппинг-секцией, что позволяет точно контролировать качество продуктов.
Оборудование (теплообменные аппараты, рефлюксные емкости, насосы) размещается под и на технологической этажерке, состоящей из 2-х уровней. Технологическая этажерка может быть спроектирована как железобетонная конструкция.
В колоннах применяется острое орошение бензиновой фракцией и промежуточное орошение дизельной фракцией, управляемые АСУ ТП, что позволяет точно контролировать и регулировать температурный режим работы колонн и качество продукции.
Нагрев сырья и промежуточных фракций осуществляется в рекуперативных теплообменных аппаратах и двумя автоматизированными нагревателями углеводородов (трубчатые печи). Использование2-х печей позволяет перерабатывать широкий диапазон сырья: от тяжелой нефти до газового конденсата.
Нагреватель, представляет собой горизонтальную трубчатую печь, работающую на жидком или газообразном топливе.
Получаемые продукты:
Установка состоит из 2-х основных блоков: блок рекуперации- ректификации и блок нагрева сырья и промежуточных фракций. Разделение блоков обуславливается противопожарными требованиями. Расстояние между блоками должно быть не менее 10м.
Блок рекуперации и ректификации, представляющий собой технологическую этажерку, ректификационные колонны, аппараты воздушного охлаждения, занимает площадку с габаритными размерами:
Блок нагрева сырья и промежуточных фракций состоит печи АНУ-3.0. Габаритные размеры площадки под печами:
Вторая печь АНУ-1.5, она располагается на расстоянии 5 метров от печи АНУ-3.0 и занимает размер участка
При изготовлении оборудования установки СК-1000-2К используются сталь 20 и сталь 09Г2С
Технические характеристики представлены непосредственно для установки СК-1000-2К. В процессе могут задействоваться дополнительные мощности по электроэнергии, паропотреблению, например для перекачки углеводородов, отопления зданий, обеспечению пароспутников, которые определяются при проектировании и согласовываются в техническом задании.
В таблице 1 представлены необходимое энергопотребление для работы самой установки и краткие технические характеристики установки. Энергопотребление всего Мини НПЗ рассчитывается при проработке проектных решений.
| Наименование | Показатель |
|---|---|
| Средняя производительность по сырью | 16 — 18 м3/час |
| Потребление пара на установке СК-1000-2К | 200-300 кг/час |
| Общая установленная мощность эл/дв | 110-120 кВт* |
| Расход мазута на огневой нагрев | 200-260 кг/час |
| Количество оборотной охлаждающей воды | 75-100 м3/час |
| Расход на переработку 1 тонны сырья | |
| — электроэнергии | 8-12 кВт |
| — насыщенный пар | 20-30 кг |
| — мазут | 15-25 кг |
| Давление в аппаратах | не более 0,25 мПа |
| Время выхода установки на режим | 8-12часов |
*Уточняется при разработке проекта и уточнении тепломеханических расчетов.
Материальный баланс рассчитаный для среднетрубной нефти с содержанием светлых фракций до 55 % .
| Взято | % | м3/ч | м3/сутки | м3/год |
|---|---|---|---|---|
| Сырьё (нефть) | 100 | 17,5 | 420 | 140000 |
| Получено | ||||
| Бензин | 20 | 3,5 | 84 | 28000 |
| Дизельное топливо | 33 | 5,775 | 138,6 | 46200 |
| Мазут | 46 | 8,05 | 193,2 | 64400 |
| Потери | 1 | 0,175 | 4,2 | 1400 |

Керосин — в зависимости от режима может быть выделена как отдельный продукт, а может быть рассмотрена как фракция тяжелого бензина, смешивающееся с фракцией НК-200.
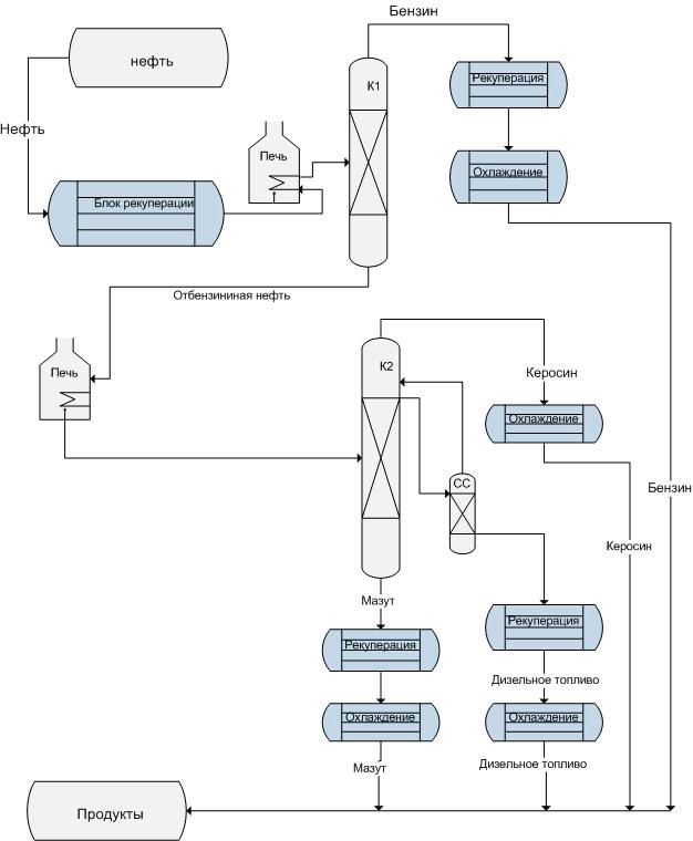
Сырьё (нефть) подаётся насосом из сырьевых емкостей в блок рекуперации где нагревается в теплообменных аппаратах за счёт тепла выходящей с установки продукции (дизельного топлива, мазута). После блока рекуперации, сырьё проходя через печь П1 АНУ-1.5 попадает в бензиновый блок, где из него в ректификационной колонне извлекаются бензиновая фракция. Затем отбензининая нефть проходя печь трубчатую АНУ-3.0 и нагреваясь в ней, попадает в дизельный блок, где разделяется в ректификационной колонне на дизельную фракцию, керосин(фракцию тяжелого бензина) и мазут. Часть продуктов из блоков фракционирования поступают в блок рекуперации тепла, в котором охлаждаются, передавая своё тепло сырью, проходят блок охлаждения и затем направляются в продуктовые ёмкости.