Установка СК-700-2КН входящая в состав МиниНПЗ предназначена для разделения нефти или газового конденсата на ректификационных колоннах насадочного типа с предварительным нагревом в трубчатой печи АНУ-2.0 с целью получения бензиновой фракции, керосиновой фракции, дизельной фракции и мазута.
Установка состоит из 2-х ректификационной колонн насадочного типа с выносной стриппинг-секцией, что позволяет тонко регулировать качество продуктов.
Оборудование (теплообменные аппараты, рефлюксные емкости, насосы) размещается под и на технологической этажерке, состоящей из 2-х уровней. Технологическая этажерка может быть спроектирована как железобетонная конструкция.
В колоннах применяется острое орошение бензиновой фракцией и промежуточное орошение дизельной фракцией, управляемые АСУ ТП, что позволяет точно контролировать и регулировать температурный режим работы колонн и качество продукции.
Нагрев сырья и промежуточных фракций осуществляется рекуперативным теплообменном в теплообменниках и автоматизированным нагревателем углеводородов АНУ-2.0 .
Нагреватель, представляет собой горизонтальную трубчатую печь, работающую на жидком или газообразном топливе.
При необходимости в зависимости от физико-химических характеристик нефти (содержание бензино-дизельных фракций более 60 %) возможна комплектация с использованием второго нагревателя углеводородов АНУ-0.8
Установка состоит из 2-х основных блоков: блок рекуперации- ректификации и блок нагрева сырья и промежуточных фракций. Разделение блоков обуславливается противопожарными требованиями. Расстояние между блоками должно быть не менее 10м.
Блок рекуперации и ректификации, представляющий собой технологическую этажерку, ректификационные колонны, аппараты воздушного охлаждения, занимает площадку с габаритными размерами:
Блок нагрева сырья и промежуточных фракций состоит печи АНУ-2.0. Габаритные размеры площадки под печами:
При необходимости использования второй печи АНУ-0.8, она располагается на расстоянии 5 метров от печи АНУ-2.0 и занимает размер участка
При изготовлении оборудования установки СК-700-2КН-2 используются сталь 20 и сталь 09Г2С.

Технические характеристики представлены непосредственно для установки СК-800-2КН. В процессе могут задействоваться дополнительные мощности по электроэнергии, паропотреблению, например для перекачки углеводородов, отопления зданий, обеспечению пароспутников, которые определяются при проектировании и согласовываются в техническом задании.
В таблице 1 представлены необходимое энергопотребление для работы самой установки и краткие технические характеристики установки. Энергопотребление всего Мини НПЗ рассчитывается при проработке проектных решений.
| Наименование | Показатель |
|---|---|
| средняя производительность по сырью | 5.5 — 7 м3/час |
| потребление пара на установке СК-700-2КН | 100-150 кг/час |
| общая установленная мощность эл/дв | 60-70 кВт* |
| расход мазута на огневой нагрев | 100-130 кг/час |
| количество оборотной охлаждающей воды | 40 — 50 м3/час |
| Расход на переработку 1 тонны сырья | |
| — электроэнергии | 8-12 кВт |
| — насыщенный пар | 20-30 кг |
| — мазут | 15-25 кг |
| давление в аппаратах | не более 0,25 мПа |
| время выхода установки на режим | часов |
*Уточняется при разработке проекта и уточнении тепломеханических расчетов.
Материальный баланс рассчитан для «среднетрубной нефти» с содержанием светлых фракций до 50 % .По необходимости технический керосин может выделяться, как отдельная фракция, так и быть включён в состав или бензиновой или дизельной фракции для получения различных марок топлив.
Выход каждой фракции зависит от перерабатываемого сырья и может быть определён по паспорту на сырьё.
| Взято | % | м3/ч | м3/сутки | м3/год |
|---|---|---|---|---|
| Сырьё (нефть) | 100 | 6,5 | 156 | 52000 |
| Получено | ||||
| Бензин | 18 | 1,17 | 28,08 | 9360 |
| Керосин | 7 | 0,455 | 10,92 | 3640 |
| Дизельное топливо | 30 | 1,95 | 46,8 | 15600 |
| Мазут | 45 | 2,925 | 70,2 | 23400 |
Технический керосин как фракция может быть выделен отдельно или входить в состав как бензиновой, так и дизельной фракций, в зависимости от марки целевых продуктов

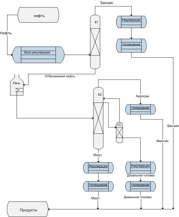
Сырьё (нефть) подаётся насосом из сырьевых емкостей в блок рекуперации где нагревается в теплообменных аппаратах за счёт тепла выходящей с установки продукции (дизельного топлива, мазута). После блока рекуперации, сырьё попадает в бензиновый блок, где из него в ректификационной колонне извлекаются бензиновая фракция. Затем отбензининая нефть проходя печь трубчатую АНУ-2.0 и нагреваясь в ней, попадает в дизельный блок, где разделяется в ректификационной колонне на дизельную фракцию, керосин и мазут. Часть продуктов из блоков фракционирования поступают в блок рекуперации тепла, в котором охлаждаются, передавая своё тепло сырью, проходят блок охлаждения и затем направляются в продуктовые ёмкости.
При необходимости использования второй печи АНУ-0.8, она внедряется в технологическую линию после блока рекуперации перед колонной К1. Данное решение позволяет перерабатывать нефть с содержанием бензино-дизельных фракций более 55 %.